產品用途:
D71X、D371X、D671X、D971X型中線對夾式蝶閥公稱壓力≤1.6MPa的食品、制藥、化工、石油、電力、輕紡、造紙等給排水、氣體管道上作調節流量和截流介質的作用。
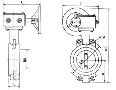
結構圖:

閥門型號:
常見的中線對夾式蝶閥型號有:d71x、d371x-10、d371x-16、d371x-25、d371f-10、d371f-16、d671x-6、d671x-10、d671x-16、d671f-10、d671f-16、d971x-6、d971x-10、d971x-16、d971f-10、d971f-16等。
產品特點:
1、結構簡單緊湊、小型輕便,容易拆裝及維修,并可在任意位置安裝。
2、90°回轉,啟閉迅速。
3、由扭矩產生彈性密封,密封可靠。
4、選擇不同零部件材質,可適用于多種介質。
執行標準:
設計規范: GB/T 12238
結構長度: GB/T 12221
法蘭連接: GB/T 9113
試驗與檢驗:GB/T 13927